LED驱动电路配套贴片功率电感
2020-03-26 13:07:21
admin
740
生产LED驱动电路的客户联系上谷景电子,询问两款贴片功率电感。
GNR5040NT4R7,电感尺寸参数:5.0*5.0*4.0,电感量:4.7uH±30%,电阻值:57mΩ,额定电流量:2.2A。
GNR4020MT150,电感尺寸参数:4.0*4.0*2.0,电感量:15uH±20%,电阻值:230mΩ,额定电流量:1.35A。

这两款贴片功率电感并非使用在同一组电路环境之中,从两款电感的参数性能中便能看出端倪。
贴片功率电感GNR5040NT4R7在尺寸参数上相对较大,并不适用于有明确低高度限制的电路板,但是贴片功率电感GNR5040NT4R7却能使用在2.2A电流相对较大的电路环境之中。而贴片功率电感GNR4020MT150正好相反,可以使用在有一定高度限制的电路环境之中,但是只支持1.35A的电流环境。
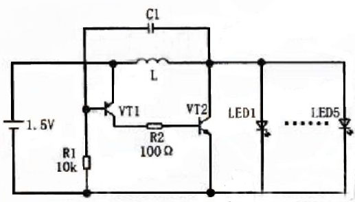
谷景电子了解到一款使用到贴片功率电感的电路图,贴片功率电感在其中起到储能和能放作用:

1.储能作用,当电路通电后,电流将从正极流经贴片功率电感L、VT2(c)极到e极,流回电源负极,电源对贴片功率电感L充电,贴片功率电感L储存能量,并且具备自感电动势。
2.能放作用,经过一段时间,VT1基极电位再次上升,随后迅速截止,VT2也截止,贴片功率电感L之前储存的能量释放,发光管上的电源电压加到贴片功率电感L上产生了自感电动势,达到升压的目的,确保LED的发光。
苏州谷景电子有限公司,专注于设计、研发、销售高品质功率绕线电感,高频电感,铁氧体电感以及相关安规器件电感,并提供完善的技术服务与专业的解决方案。
编:Bouquet